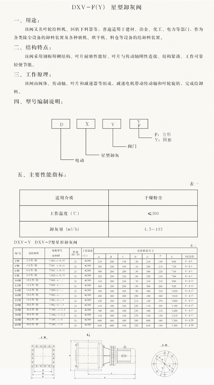
一、結構簡述
1、此葉輪給料機是本公司專門為生料入磨,定量給料及作為正壓或負壓輸送系統中設計的鎖風喂料裝置。
2、葉輪給料機其結構簡單,性能可靠,密封性能好,有可以換的抗磨內襯及檢查門,其結構特點規定能夠解決入磨物料不因有粒度而卡死的問題。在國內外的長期使用中凸顯本設備的特點——外型尺寸較小,容易推廣使用。
3、葉輪給料機的結構包括一個回轉葉輪,固定的殼體和驅動裝置等,葉輪葉片上大都焊有抗磨板,提高了葉輪的使用壽命;入料口中心距和殼體中心線有一定的偏差,是為了適用于顆粒較大的物料的進。殼體內襯大都裝有抗磨層;葉輪是由兩端軸承支承,可以保證葉輪和殼體之間的間隙均勻;由于入料溫度較高,葉輪與殼體之間留有相應的間隙。兩端密封是用石棉盤根密封、方式簡單、密封性好,容易操作及換。
此卸料器都備有熱風通道,當入料濕度大時,葉輪底可能粘有一定厚度的粉狀物料,這時就應該通此溫度較高的氣體,使其底部的物料干燥,不易粘接在葉輪底部,不會影響給料量,不用時把進出風口盲死。
φ1800mm以上的給料機在殼體一側開一到二個開放檢查門,時可能打開,檢查內部情況和換此面的抗磨層,及葉輪上的抗磨層。并且設有檢查孔、平時當雜物進入葉輪或發生堵料及其它事故影響給料機正常運轉時,可以打開檢修門進行清理,或是觀察其具體情況,還可以觀察入料情況,本設備斗容量一般在30-50%之間,不能過多的入料,入料情況和通過本設備葉輪回轉速度來控制。速度越快每斗進料量越少,速度越慢每斗進料量越多,控制不能大于30-50%,斗進料量大于50%容易出現卡死,使得驅動裝置受損。
注意葉輪旋轉方向,要向標出的方向轉動不能反方向給料,否則會出現卡死現象,葉輪過載或葉輪出現異常,需要需方按裝電機保護裝置(即過載保護),軸末端應該設有接近開關,通過葉輪轉動情況發出信號,對葉輪給料機的運轉情況進行監控。
二、技術性能
目前我們對生料磨入料給料機大體設計三個尺寸檔,根據需要設計有:MT600、MT800、MT1000、MT1200、MT1400、MT1600、MT1800、MT2000等,給料能力由80t/h—650t/h,轉數由0-27轉/分,均采用扭矩力大,體積較小的變頻調速減速機。
當初起給料時,一定要從中間轉速開始給料,轉數過快,斗容量不能達到30%時,給料量不夠;轉數過慢,斗容量充滿會出現卡死現象。掌握具體情況找出一個客觀的轉速,從而達到自己需要的給料量。例如:轉數是9轉/分,那么入料開始轉數可從5--7轉/分,調度到相應用的給料度,不要從慢開始。
三、簡圖及選型

